XR-5000

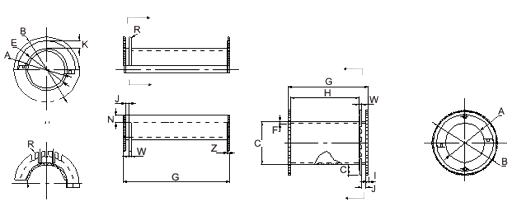
结构图:

按图示检验主要设计尺寸: XR-5000

图示代码
设计尺寸
公差
A
75.00 最大值
B 123.20 最大值
C 21.30 最小值
E 80.00 ±
F 2.50 ±0.10
G 168.00 最大值
H 153.50 ±0.30
I 3.80 ±0.10
J 3.80 ±0.10
R 0.30 参考
W 3.00 参考
Z 0.90 参考

● 检测工具:数显卡尺或千分尺。

● 按图示标注代号对照检验。

● 出线槽数为5×2个。

● 内孔A不圆度≤0.40mm,两端滚齿平面的不平行度≤0.40mm,无明显翘曲。

● 内孔孔吻合处不允许有台阶,手感光滑无阻。

● 外形无残缺或破损,色泽正常无异。

● 光洁度达到▽7以上,但允许有无害伤痕及缩影。

● 无金属杂质或其它杂物,含有金属、杂物的产品,必须作废品隔离。

● 无熔迹痕,无内在气孔亮点。有气孔亮点(不含熔迹痕)的产品作等外品。

● 无飞边、毛刺及多余物质。关键部位毛刺≤0.05 mm。

● 抗压力≥25公斤/平方厘米,不破损。

● 手感有强力弹性,且不脆裂。

● 硬度、耐磨性能均适合高速重负荷转动。

● 选用原材料必须符合欧盟ROHS指令要求,并具有UL黄卡认证且定点供应。

● 热变形温度≥120摄氏度,绝缘电阻必须≥1000M欧姆,阻燃性能UL94Vo级/0.8—3.2mm。

● 其它结构均应符合变压器制造工艺为标准。


产品中心2