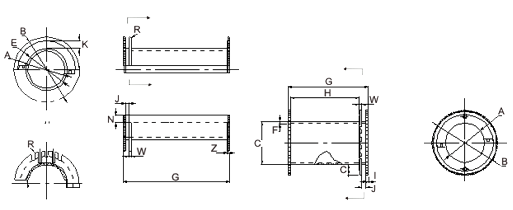
按图示检验主要设计尺寸:XR--50
| 
					图示代码 | 
				
					设计尺寸 | 
				
					公差 | 
			
| 
					A | 
				24.20 | 
					最小值 | 
			
| B | 41.30 | 
					最大值 | 
			
| C | 7.20 | 
					最小值 | 
			
| E | 26.50 | ± | 
| F | 1.10 | 
					±0.10 | 
			
| G | 50.20 | 
					最大值 | 
			
| H | 43.40 | 
					±0.30 | 
			
| I | 1.60 | 
					±0.10 | 
			
| J | 2.30 | 
					±0.10 | 
			
| K | 3.20 | 参考 | 
| M | 5.50 | 最小值 | 
| R | 0.20 | 参考 | 
| W | 1.30 | 
					参考 | 
			
| Z | 参考 | 
● 检测工具:数显卡尺或千分尺。
● 按图示标注代号对照检验。
● 出线槽数为4×2个。
● 内孔A不圆度≤0.20mm,两端滚齿平面的不平行度≤0.20mm,无明显翘曲。
● 内孔孔吻合处不允许有台阶,手感光滑无阻。
● 外形无残缺或破损,色泽正常无异。
● 光洁度达到▽7以上,但允许有无害伤痕及缩影。
● 无金属杂质或其它杂物,含有金属、杂物的产品,必须作废品隔离。
● 无熔迹痕,无内在气孔亮点。有气孔亮点(不含熔迹痕)的产品作等外品。
● 无飞边、毛刺及多余物质。关键部位毛刺≤0.05 mm。
● 抗压力≥25公斤/平方厘米,不破损。
● 手感有强力弹性,且不脆裂。
● 硬度、耐磨性能均适合高速重负荷转动。
● 选用原材料必须符合欧盟ROHS指令要求,并具有UL黄卡认证且定点供应。
● 热变形温度≥120摄氏度,绝缘电阻必须≥1000M欧姆,阻燃性能UL94Vo级/0.8—3.2mm。
● 其它结构均应符合变压器制造工艺为标准。
浙公网安备33072602100115号