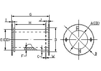
按图示检验主要设计尺寸:XR-50 内
|
图示代码 |
设计尺寸 |
公差 |
|
A |
24.20 |
最小值 |
| B | 41.30 |
最大值 |
| C | 2.80 |
最小值 |
| D | 32.10 |
参考值 |
| E | 26.50 |
参考值 |
| F | 1.15 |
±0.10 |
| G | 50.10 |
最大值 |
| H | 39.70 |
±0.30 |
| I | 1.60 |
±0.10 |
| J | 3.00 |
±0.10 |
| W | 1.25 |
参考 |
● 检测工具:数显卡尺或千分尺。
● 按图示标注代号对照检验。
● 出线槽数为5×2个,挂线钩2个。
● 内孔A不圆度≤0.30mm,两端滚齿平面的不平行度≤0.30mm,无明显翘曲。
● 内孔孔吻合处不允许有台阶,手感光滑无阻。
● 外形无残缺或破损,色泽正常无异。
● 光洁度达到▽7以上,但允许有无害伤痕及缩影。
● 无金属杂质或其它杂物,含有金属、杂物的产品,必须作废品隔离。
● 无熔迹痕,无内在气孔亮点。有气孔亮点(不含熔迹痕)的产品作等外品。
● 无飞边、毛刺及多余物质。关键部位毛刺≤0.05 mm。
● 抗压力≥25公斤/平方厘米,不破损。
● 手感有强力弹性,且不脆裂。
● 硬度、耐磨性能均适合高速重负荷转动。
● 选用原材料必须符合欧盟ROHS指令要求,并具有UL黄卡认证且定点供应。
● 热变形温度≥120摄氏度,绝缘电阻必须≥1000M欧姆,阻燃性能UL94Vo级/0.8—3.2mm。
● 其它结构均应符合变压器制造工艺为标准。
按图示检验主要设计尺寸:XR-50 外
|
图示代码 |
设计尺寸 |
公差 |
| K | 32.40 | ± |
| L | 41.10 | 最大值 |
| M | 3.15 | 最小值 |
| N | 34.70 | ± |
| O | 1.15 | ±0.10 |
| P | 44.00 | ± |
| Q | 39.80 | ±0.30 |
| R | 1.15 | ± |
| S | 1.15 | ± |
● 检测工具:数显卡尺或千分尺。
● 按图示标注代号对照检验。
● 出线槽数为6×2个。
● 内孔K不圆度≤0.30mm,与内壳D尺寸配合松紧合适。
● 内孔孔吻合处不允许有明显台阶,两件装配后平直无明显翘曲,拼接缝≤0.20mm。
● 外形无残缺或破损,允许在吻合处有无效缺损,色泽正常无异。
● 光洁度达到▽7以上,但允许有无害伤痕及缩影。
● 无金属杂质或其它杂物,含有金属、杂物的产品,必须作废品隔离。
● 无熔迹痕,无内在气孔亮点。有气孔亮点(不含熔迹痕)的产品作等外品。
● 无飞边、毛刺及多余物质。关键部位毛刺≤0.05 mm。
● 抗压力≥25公斤/平方厘米,不破损。
● 手感有强力弹性,且不脆裂。
● 选用原材料必须符合欧盟ROHS指令要求,并具有UL黄卡认证且定点供应。
● 热变形温度≥120摄氏度,绝缘电阻必须≥1000M欧姆,阻燃性能UL94Vo级/0.8—3.2mm。
● 其它结构均应符合变压器制造工艺为标准。
浙公网安备33072602100115号